首页>乐投(中文)官方网站>案例详情

首钢京唐三冷轧脱脂机组

行  业:冶金

设  备:张力辊

功  率:重载132kW,160kW

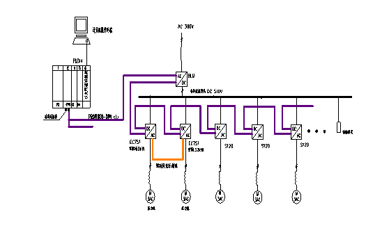
变频器系列:EC751

控制特性:速度闭环矢量控制,直接张力控制,主从控制,Profibus-DP通讯


现场图片

image.pngimage.png

系统配置
image.png

联系我们  |   友情链接  |  法律声明
鄂ICP备14006514号 版权所有©Copyright:2009-2018.    LETOU  法律声明 / 网站管理
4008608070